C接点リレーにおける抵抗の計算方法を教えてほしい
Q&A
Closed
回路を考えたから添削してほしい
電子工作初心者のケイジです。
初めての質問です宜しくお願いします。
さて、早速ですがいま雨の感知をしたくて回路の設計をしています。
https://www.tinkercad.com/dashboard
こちらで自分で設計した回路を試したり考えてみたりしたのですが
どうにも各箇所の抵抗や電圧、電流値などの計算方法が分からずで私の回路図を添削してほしいなと思って起票しました。
経緯
まずは雨滴感知の前にスイッチがONで光るELDを切り替える仕組みについて知りたいと思いC接点リレーをトランジスタを用いて再現しようと考えました。
調べ物をしているとB接点回路を再現する回路図を見つけました。
有識者同士の会話の中で図だけが示されていて本人同士はこの図だけで解決していたのですが
私はこの図だけでは抵抗の計算方法などは理解できませんでした。
このB接点回路についての質問をしようかとも思ったのですが、後々これに「A接点リレーを再現する回路」を追加してC接点回路を作った時にも改めて質問することになるかもしれないと考えました。
それであればいっそのこと自分の中で正解である思うC接点回路を設計してみて、それを添削してもらう方がはやいと考えました。
聞きたいこと
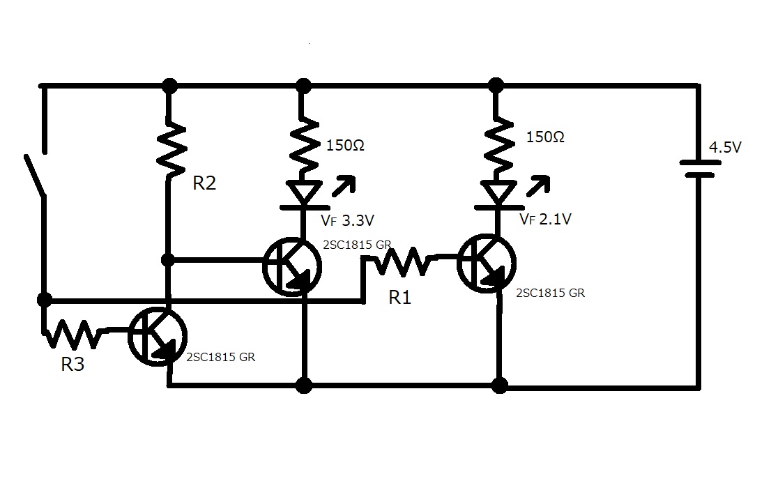
つたないながらそのC接点回路の図をかいてみました。
(書き忘れました。hFEは200~400なので200として計算しました。)
左のスイッチで光るLEDを切り替えたいです。
Q0.この回路でC接点リレーは再現出来ているのか?
そもそも論になってしまうのでこの回路でC接点リレーは再現出来ているのか自信が無いです。
前述のサイトのシミュレーター上ではうまく動作はしていました。
Q1.b接点リレーの再現回路について
再現回路がそもそもどのような仕組みで動いているのかが理解できていないです。
R2をどの程度の大きさにすべきか、その電流が2個のトランジスタに分かれて流れていきますが
それぞれに何Aずつ分かれるの計算方法がイマイチ理解できていません。
その辺りが理解できればR3をどのような値にすべきかおのずとわかると思います。
Q2.R1の計算方法について
この抵抗は普通シンプルなトランジスタの例にあるように計算すれば10kΩ程度でも入れておけばいいのはわかるのですが、その他の回路の具合から計算方法が変わったりするのかな?と思いお聞きしたいです。
最後に
今回の1回で完成させるつもりではなくて、まずはアドバイスをいただきこれで作ってみて
LEDの明るさを抵抗を変えて調整してみたりと煮詰めていければと考えています。
また、手元にたくさんあるトランジスタを使ってチャレンジしたいので市販の雨滴検出キットを使うといったのは避けたいと考えています。


