皆さん、はじめまして。
とよはし☆ロボコンズ所属のteru0707です。
去年度まで木更津高専で高専ロボコンを行っていました。
今回は名刺サイズのステレオA級アンプ基板を設計しJLCPCBで発注したのでそのやり方を解説していこうかと思います。
今回作成した回路の仕様
- ステレオアンプ
- バイアス電流調整は可変抵抗
- 電源は12V
- バイアス電流は半固定抵抗で調整
- オペアンプでフィードバックをかける
回路図
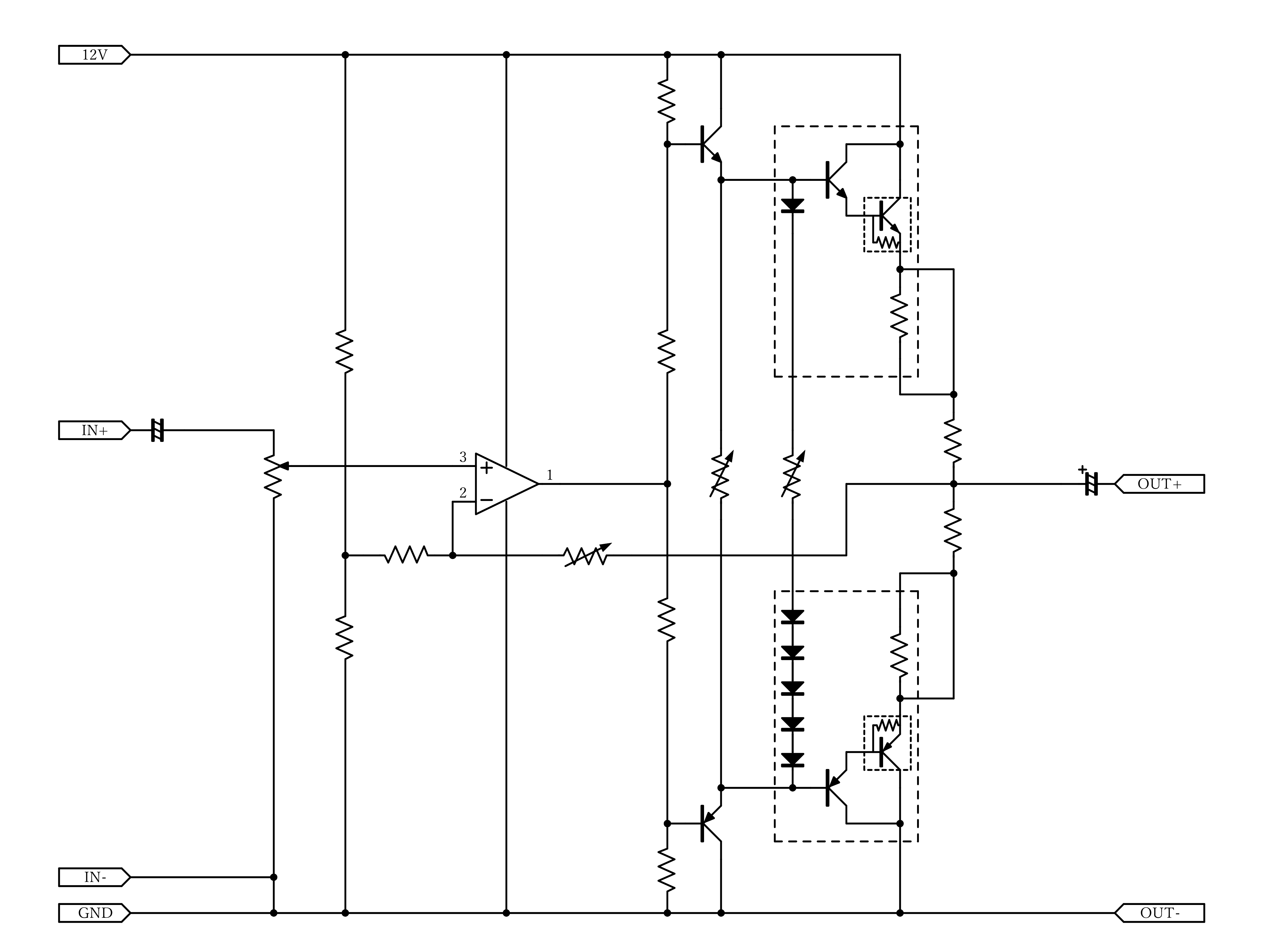
片チャンネル分のアンプの回路図は以下の通りで音量、ゲイン、副バイアス調整、主バイアス調整の可変抵抗が付いています。A級アンプとしてはかなりシンプルな回路となっているかと思います。

JLCPCBでの基板の発注
上記の回路図を2チャンネル分組み込んだ基板をKiCadで設計したらガーバーデータを出力し、今度は実際に発注します。
ということで基板発注先の選定をしなければならないのですが、そこで私は価格が安くかつ品質も良いJLCPCBを選択しました。
まず、
日本語なら
https://jlcpcb.com/jp/
にアクセス。
英語なら
https://jlcpcb.com/JPV/
にアクセス。

するとこの様なページになるため自分に合った物を選択。今回は1-4Layers。
そして下記のページにてガーバーデータをアップロード。

アップロードすると寸法は自動入力されるため残りの設定はPCB数量を変更し、PCBカラーを好みの色に変更すればこの基板では十分。
そしたら配送業者を選ぶが早くほしければDHL Express、バランスをとるならUPS Worldwide Express Saver、そして0.6kg以下で時間かかっても安くしたいならOCS NEPで$5.2。私は高専時代他の中国のPCBメーカーも使用しましたが送料は見た限りではこれが一番安いです。
私は時間的に急いでいたためDHL Expressを使いました。
到着と実装
実際に届いたものがこちらです。隅ギリギリにスルーホールをつけるかなり無茶な設計をしたものの問題なく作成されたものが届きました。

そして実装したものがこちらとなります。

まとめ
JLCPCBでは送料も含めてかなり安く作れるため名刺基板を作るには大変ありがたかったです。
