はじめに
前回、スイッチのイベントの検出を記載しました。
今回は、ロータリーエンコーダの検出について記載します。
開発環境
以下が確認した環境となります。
- windows10 64bit
- Arduino IDE 1.8.10
- Esplora Built-In by Arduino 1.0.4
- FreeRTOS by Richard Barry 10.2.0-3
- RotaryEncoder by Matthias Hertel 1.3.0 - Github - RotaryEncoder
- vscode 1.41.1
- PlatformIO - Home 3.0.1, Core 4.1.0
本コードは、RotaryEncoderライブラリを使用しています。
./lib下に、RotaryEncoderのライブラリを配置する必要があります。
./SampleRe/lib/RotaryEncoder-master/RotaryEncoder.cpp
./SampleRe/lib/RotaryEncoder-master/RotaryEncoder.h
※Arduino IDEでも動くことは確認しましたが、
Arduino IDEで動かす場合は、main.cppを.inoファイルに置き換える必要があります。
また、Arduino IDE時は、ライブラリマネージャーよりインストールすることができます。
機材と接続図
2種類のロータリーエンコーダで確認したので、それぞれ記載します。
- フルカラーRGB LED付ロータリーエンコーダを使用
- HiLetgo 回転式のエンコーダモジュールを使用
フルカラーRGB LED付ロータリーエンコーダ時のの機材
※型名が購入先のリンクになっています。
| 項目 | 型名 | 備考 |
|---|---|---|
| ESP32-WROOM-32 開発ボード | NodeMCU-32S ESP32-WROOM-32 | - |
| ロータリーエンコーダ | EC12PLRGBSDVBF-D-25K-24-24C-61 | DIP化基板とはんだ付け必要 |
| ロータリーエンコーダDIP化基板 RECNV-2 | AE-RECNV-2 | |
| 抵抗 | 10kΩ x 2 | |
| ブレッドボード | 指定なし | |
| ジャンパーケーブル | 指定なし |
フルカラーRGB LED付ロータリーエンコーダ時の接続図
↓が実際の写真です。ユニバーサルボードにのっていますが。
HiLetgo 回転式のエンコーダモジュール時の機材
※型名が購入先のリンクになっています。
| 項目 | 型名 | 備考 |
|---|---|---|
| ESP32-WROOM-32 開発ボード | NodeMCU-32S ESP32-WROOM-32 | - |
| ロータリーエンコーダ | HiLetgo 回転式のエンコーダモジュール | はんだ付け不要 |
| ブレッドボード | 指定なし | |
| ジャンパーケーブル | 指定なし |
HiLetgo 回転式のエンコーダモジュール時の接続図
↓が実際の写真です。
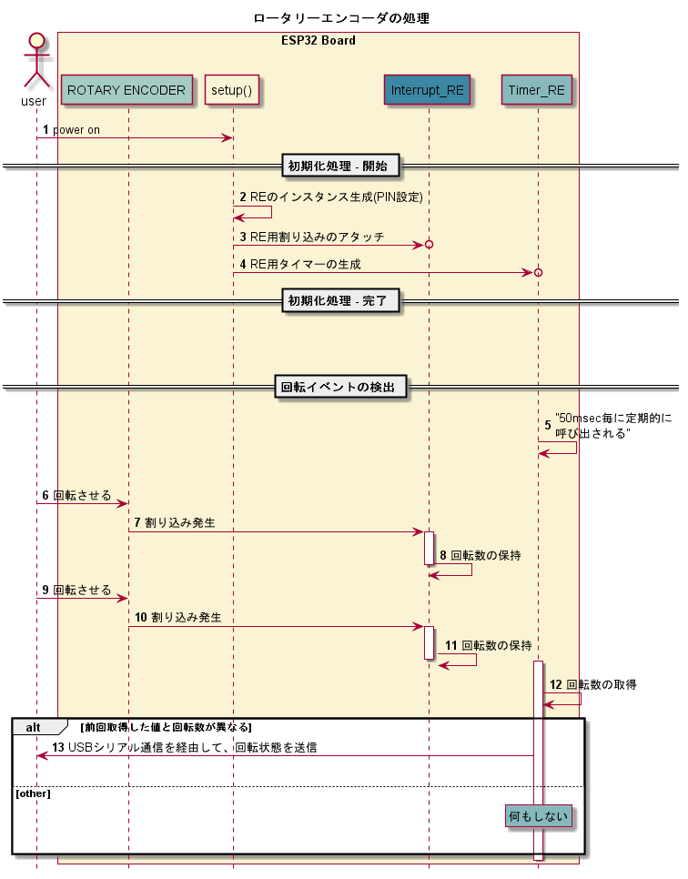
シーケンス図
作成するプログラムのシーケンス図は、以下となります。
コードの配置場所
コードは、下記に配置してあります。
esp32Samples - SampleRe
シーケンスとコードコードの紐づけ
シーケンスとコードの関連箇所を抜粋して記載します。
初期化処理
REのインスタンスの作成
- 使用するPINの定義
# define RE_ASGN_SIGNAL_A (4)
# define RE_ASGN_SIGNAL_B (2)
- インスタンスの生成
# include <RotaryEncoder.h>
static RotaryEncoder s_xRotaryEncoder(RE_ASGN_SIGNAL_A, RE_ASGN_SIGNAL_B);
RE用割り込みのアタッチ
// 割り込み関連の設定
attachInterrupt(digitalPinToInterrupt(RE_ASGN_SIGNAL_A), vIsrCallbackRe, CHANGE);
attachInterrupt(digitalPinToInterrupt(RE_ASGN_SIGNAL_B), vIsrCallbackRe, CHANGE);
- vIsrCallbackRe
- 割り込み時の処理(後述)
- CHANGE
- A相, B相の変化点が必要のため、CHANGEを指定
RE用タイマーの生成
# define RE_CHECK_TIME (50) //ロータリーエンコーダチェック間隔:50msec
...
static TimerHandle_t s_xTimerRe = NULL;
...
ErType_t xInitRe(void)
{
...
s_xTimerRe = xTimerCreate
( cName, //text name
RE_CHECK_TIME, //timer period
pdTRUE, //auto-reload
( void * ) 0, //number of times
vTimerCallbackRe //callback
);
xTimerReset( s_xTimerRe, RE_CHECK_TIME)
- auto-reload : pdTRUE
- 50msec毎に定期的にコールするために指定
回転イベントの検出
割り込みの発生/回転数の保持
/**
* @brief ロータリーエンコーダ割り込み処理
*/
static void IRAM_ATTR vIsrCallbackRe()
{
s_xRotaryEncoder.tick(); // just call tick() to check the state.
}
割り込みが発生した場合、上記の関数がコールされます。
tick()をコールし、回転数が保持されます。
回転数の取得/回転状態を送信
/**
* @brief ロータリーエンコーダのタイマーコールバック関数
*/
static void vTimerCallbackRe( TimerHandle_t xTimer)
{
static int32_t pos;
pos = s_xRotaryEncoder.getPosition();
if( pos != s_slBakRePosition )
{
Serial.printf("%s - (%d), (%d)\n",__func__ ,pos ,(pos - s_slBakRePosition));
s_slBakRePosition = pos;
}
return;
}
50msec毎に、上記の関数がソフトウェアタイマータスク内で処理されます。
前回の状態と異なる場合、Serial.printf()でユーザに通知します。
実行結果例
- 時計回りを実施
vTimerCallbackRe - (11), (1)
vTimerCallbackRe - (12), (1)
vTimerCallbackRe - (13), (1)
vTimerCallbackRe - (14), (1)
vTimerCallbackRe - (17), (3)
vTimerCallbackRe - (18), (1)
- 反時計回りを実施
vTimerCallbackRe - (25), (-1)
vTimerCallbackRe - (23), (-2)
vTimerCallbackRe - (21), (-2)
vTimerCallbackRe - (20), (-1)




