使用したライブラリ
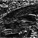
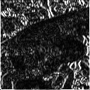
Q.16. Prewittフィルタ
Prewittフィルタ(3x3)を実装せよ。
これがプレウィットフィルタですか。
int main()
{
PPM ppm("imori.pnm");
int width = ppm.Get_width();
int height = ppm.Get_height();
PPM ppm2(width, height);
auto kernel = [&](int i, int j)
{
double ret = 0;
/*if (j == -1)
{
if (i == -1 || i == 1) ret = 1;
else if (i == 0) ret = 1;
}
else if (j == 1)
{
if (i == -1 || i == 1) ret = -1;
else if (i == 0) ret = -1;
}*/
if (i == -1)
{
if (j == -1 || j == 1) ret = 1;
else if (j == 0) ret = 1;
}
else if (i == 1)
{
if (j == -1 || j == 1) ret = -1;
else if (j == 0) ret = -1;
}
return ret;// / 16.;
};
auto conv = [&](const std::vector<std::vector<double>>& f)
{
std::vector < std::vector < double >> ret(width, std::vector<double>(height));
for (int j = 0; j < height; j++)
for (int i = 0; i < width; i++)
{
ret[i][j] = 0;
}
for (int j = 0; j < height; j++)
for (int i = 0; i < width; i++)
{
int sum = 0;
for (int di = -1; di <= 1; di++)
for (int dj = -1; dj <= 1; dj++)
{
if (i - di >= 0 && i - di < width && j - dj >= 0 && j - di < height)
{
ret[i][j] += kernel(di, dj) * f[i - di][j - dj];
sum += kernel(di, dj);
}
}
//ret[i][j] /= (double)sum;
}
return ret;
};
std::vector < std::vector < double >> arry(width, std::vector<double>(height));
for (int j = 0; j < height; j++)
for (int i = 0; i < width; i++)
{
int r = ppm(i, j, 'r');
int g = ppm(i, j, 'g');
int b = ppm(i, j, 'b');
int y = (std::round)(0.2126 * r + 0.7152 * g + 0.0722 * b);
arry[i][j] = y;
}
arry = conv(arry);
for (int j = 0; j < height; j++)
for (int i = 0; i < width; i++)
{
int val = abs(arry[i][j]);
if (val > 255) val = 255;
ppm2(i, j, 'r') = val;
ppm2(i, j, 'g') = val;
ppm2(i, j, 'b') = val;
}
ppm2.Flush("out.ppm");
return 0;
}


