(本記事は岐阜大学ロボコンサークル2023度回路班体験会にて使用しているものです)
目標はこれ
パルス生成回路作れるようになる。
また応用した回路としてパトカーの「ピーポー」サイレンを作れるようになる。
さっそく始めよう!
以下2人1組で行なう。
必要部品一覧
- Arduino(3.3V供給用) x1
- ブレッドボード x1
- ジャンパワイヤ x10本程度
- 抵抗器
1kΩ x2
2.2kΩ x2
10kΩ x2
20kΩ x2 (図中22kΩはこれで代用)
47kΩ x3 (図中33kΩはこれで代用) - LED ×5
- セラミックコンデンサー 47nF(=0.047µF) x2
- 電解コンデンサー 22µF x2
- トランジスタ 2SC1815 x4
- トランジスタ 2SA1015 x2
- 電子ブザー x1
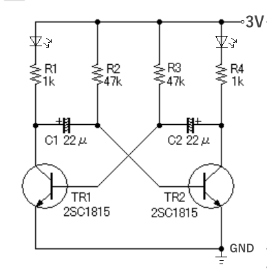
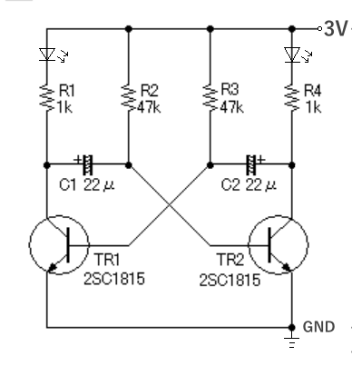
手順1. 回路の全体像を理解しよう
パルス発生回路

元画像引用:非安定マルチバイブレータによる音出し回路
手順2. 使用する素子、基板を理解しよう
画像引用:抵抗の『カラーコード』について!一覧表・読み方・覚え方など!
画像引用:ブレッドボードの使い方
- コンデンサー
…【Point!】種類と極性
・セラミックコンデンサー(極性なし)
・電解コンデンサー(極性あり) - トランジスタ
…【Point!】まずは種類と使い方
・NPN型(2SC1815はこっち 。よく使う)
・PNP型(2SA1015はこっち。たまに使う)
画像引用:電子部品使い方:マイコン出力のスイッチ(トランジスタ1)
手順3. パルス生成回路を作ろう
もう一度チェック!
- 電解コンデンサーの向きは合っている?
- トランジスタの向きは合っている?
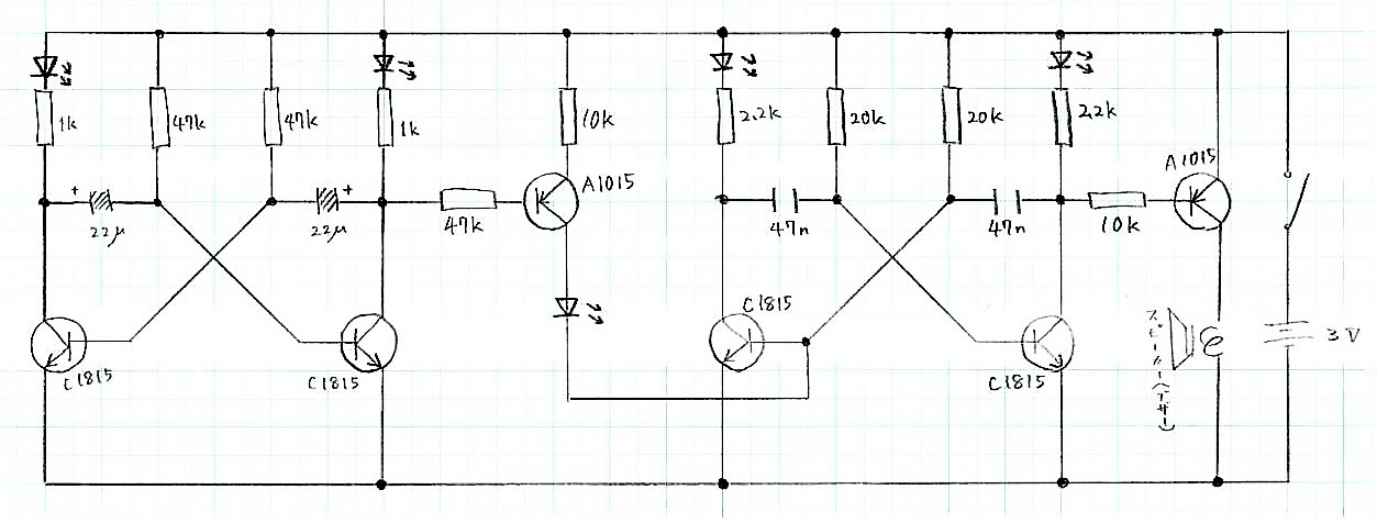
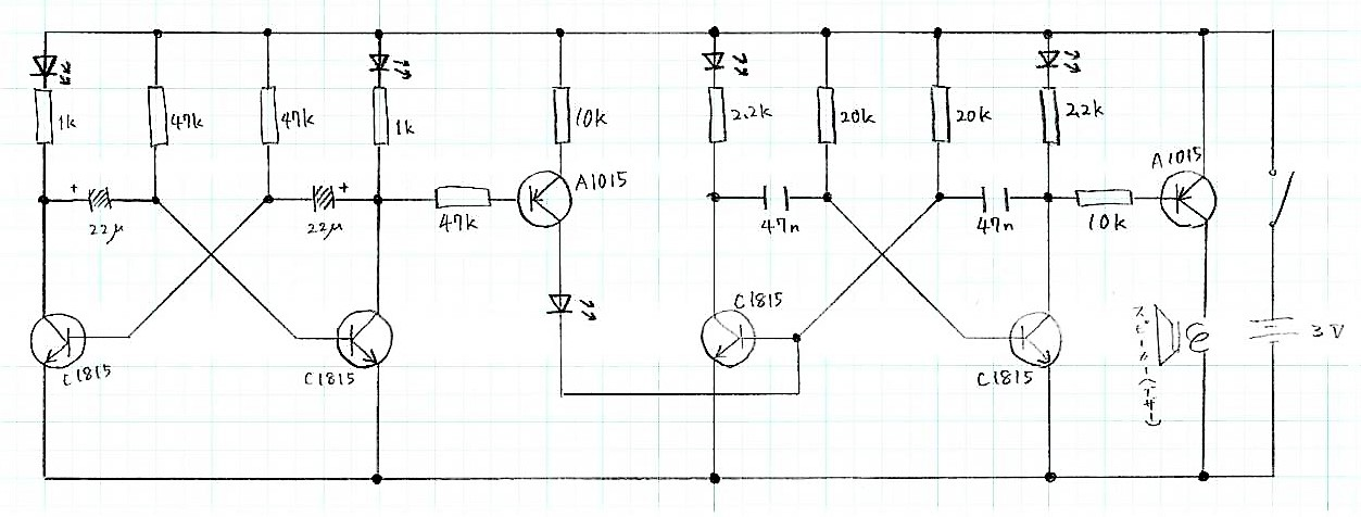
手順4. ピーポーサイレンの回路を作ろう
もう一度チェック!
- 電解コンデンサーの向きは合っている?
- トランジスタの接続端子は間違いない?(特にPNP型に注意。Emitter端子が回路図上部です。)
興味があれば調べてみよう!
- 「無安定マルチバイブレータ」とは?
- (電電は2年後期の実験でインバータ使用回路を製作)
- 「無安定マルチバイブレータ」の周波数の求め方
- 「トランジスタ」とは?
おすすめ!ここから始めよう
イチケン YouTubeチャンネル
|良質な電気電子回路系動画
https://www.youtube.com/channel/UCGhudK3AIG152KrfURCSb2Q
今日から始める電子工作(Webサイト)
|電子回路知識の初歩の初歩
https://start-electronics.com/
E-KAIRO
|動画で学べるArduino電子工作
https://e-kairo.net/index.php
秋月電子通商 トップページ - 電子部品・半導体 【通販・販売】
|電子部品はここから!入門者向け組立キットが豊富
https://akizukidenshi.com/catalog/
高校教科書 電子回路 新訂版
|高専・工業高校の検定教科書・大変良質
https://amzn.asia/d/dNvp3fo
参考
非安定マルチバイブレータによる音出し回路(23/5/15閲覧)
http://bbradio.sakura.ne.jp/multi12/multi12.html
この回路の動作を説明できますか?【イチケン電子基礎シリーズ】 - YouTube
https://www.youtube.com/watch?v=xjkZtUyIt7I





