作った物
はじめに
Youtube見てたら君でも簡単に基板作れるぜみたいな動画見たので作ってみました。
とりあえず難しい物は作れないからPLCの入力と出力につなげるスイッチとLED基板を作ってみることにした。
既に似たような物は世の中にありますがね。
PNP / NPN両対応
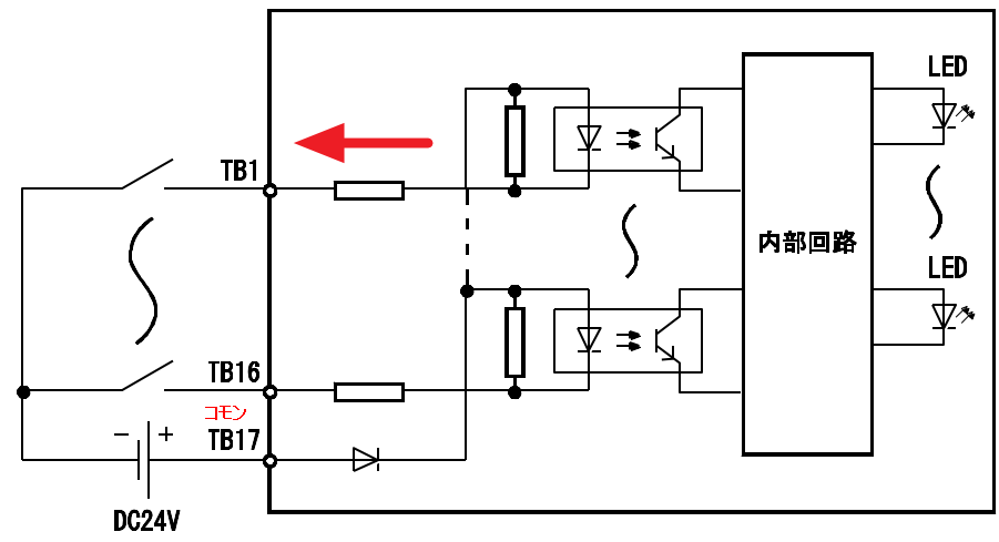
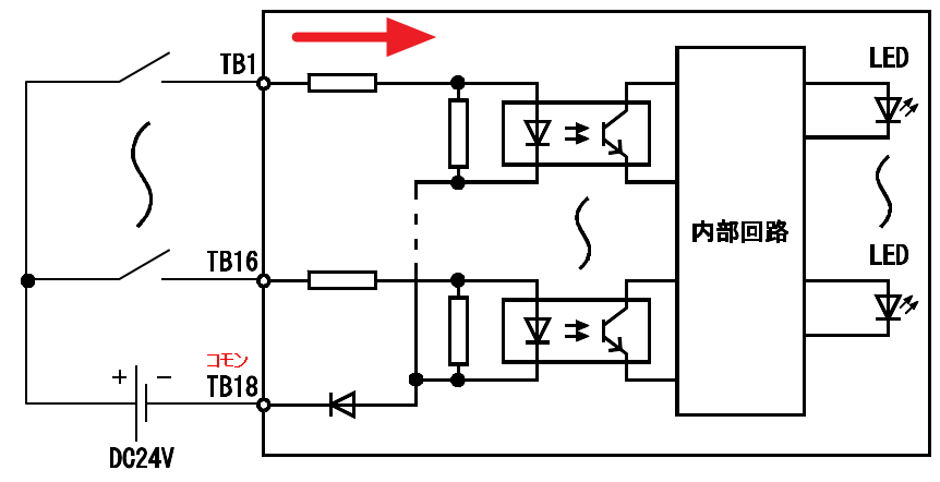
PNP/NPNが何かは下記の図を見てください。
細かい説明は省きますが要するにコモンの極性で名称が変わります。
最近は両方対応の物もあります。
入力回路
MELSEC-Q QX40 DC入力ユニット(プラスコモンタイプ) NPN

MELSEC-Q QX80 DC入力ユニット(マイナスコモンタイプ)PNP

出力回路
MELSEC-Q QY40P トランジスタ出力ユニット(シンクタイプ)NPN

MELSEC-Q QY80 トランジスタ出力ユニット(ソースタイプ)PNP

設計
両対応にするには入力は簡単ですね。コモンを+-切り替えれるようにジャンパ付ければよいだけなので。
出力につけるLEDですが、入力のようにコモンを切り替えるだけでは無理です。
LEDには極性があるのでPNP / NPNが変わったらLEDの極性を変えないといけません。
ということで無極性のLEDを使っています。秋月電子 型式:OSRRH23133A 通販コード:I-11579
無極性LEDは1つのLEDに2つのLEDチップが逆向きに内蔵されてます。
LEDが逆向きについてるので逆耐圧に対する保護にもなります。

標準電流:20mA VF:2.1V だとこのようになります。
ということで1/2W 1.2KΩを最初選んだのですが、抵抗がかなり熱くなります。
この場合1W抵抗を選ばないといけないですし20mAだとかなりLEDもまぶしいです。これは失敗でした。

電流:9.1mA VF:2.1V だとこのようになります。
ワット数がだいぶ下がりますね。
これでも十分光るので、1/2W 2.4KΩの抵抗を選びます。

部品表
だいたい4000円くらい
秋月電子通商
| 商品名 | 型式 | 秋月通販コード | 単価(円) | 数量 |
|---|---|---|---|---|
| ユーロブロック レセプタクル 青4P | ETB43044B000Z | P-11591 | 30 | 9 |
| ユーロブロック ターミナルブロック 青4P | ETB41040B000Z | P-11588 | 70 | 9 |
| 基板用小型3Pトグルスイッチ 1回路2接点 | 2MS1-T1-B4-VS2-Q-E-S | P-00300 | 90 | 16 |
| タクトスイッチ(黒色) | DTS-63-N-V-BLK | P-03647 | 10 | 16 |
| 無極性3mm赤色LED | OSRRH23133A | I-11579 | 10 | 16 |
| カーボン抵抗(炭素皮膜抵抗) 1/2W2.4kΩ (100本入) | CFS50J2K4B | R-07826 | 100 | 1 |
| ジャンパーピン(赤)(2.54mmピッチ) (20個入) | 2228AG-RD | P-03876 | 100 | 1 |
| プラスチックスペーサー 911-5M (10個入) | 911-5MM | P-16677 | 50 | 1 |
| ピンヘッダ 1×40 (40P) | PH-1x40SG | C-00167 | 35 | 1 |
| LED光拡散キャップ 3mm 白 (20個入) | OS-CAP-3MK-1 | I-01126 | 100 | 1 |
合計 3045円
モノタロウ
| 商品名 | 型式 | 単価(円) | 数量 |
|---|---|---|---|
| DINレール取付板 DRAシリーズ | DRA-2 | 380 | 2 |
| 皿ネジ M3長さ20mm | 9 | ||
| 六角ナットM3 | 9 | ||
| 小さいワッシャ | 9 |




