1. はじめに──自己保持では危険になる理由
たとえば、工場でよくある コンベアを考える。
起動・停止の 押釦SW で自己保持回路を組む方法は広く使われている。
が。しかし、起動と停止 操作は対称ではなく、安全上の役割が根本的に違う。
この非対称性を無視すると、停止が効かない・意図しない再起動といった
“現場では許されない挙動” が発生する。
- 起動は「意図の瞬間」だけ拾えばよい
- 停止は「押されている間ずっと」効かなければ危険
- 停止SW接点は、2b直列で最低限のフェールセーフ構成
自己保持は、この安全思想を壊してしまう。
本記事では、停止優先の思想に基づき、コンベアのような“人が近くにいる装置”を前提にした、安全第一の 起動・停止 リレー回路の組み方 を整理する。
今回は実際に実装した、2か所 でコンベアの 起動・停止 を行えるリレー回路を考える。
詳しい背景や図解はブログ版にまとめています。
2. 安全第一の前提──停止を最優先にする
人が近くで作業する装置では、
停止操作と、別の場所の起動操作が衝突する ことが日常的に起こる。
この「2か所操作」が前提にある以上、
停止は “押されている間ずっと” 効いていなければならない。
もし停止を“瞬間(TRG)”で扱うと、
停止側の操作が継続しているのに、別の場所の操作で再起動する
という最悪の事故が起こる。
■ 停止は“押されている間ずっと”効くべき
――2か所で違う操作が起きた瞬間に事故が起こる
停止を押して危険を止めている最中でも、
別の場所では 起動側の信号が揺れる ことがある。
- 配線ショート
- 断線しかけの導通
これらは ON→OFF→ON の変化を生む。
もし停止が微分(TRG)なら、
停止を押し続けていても、
別の場所のON/OFF変化でコンベアが再起動する。
作業者は「止めているつもり」なのに、
別の場所の揺れで勝手に動き出す。
これが、停止を“状態”で扱わなければならない第一の理由。
■ 停止SW 2b接点直列接続は最低限のフェールセーフ
停止SWを 2b直列 にするのは、
「壊れても安全側に倒れるべき」という思想の具現化。
片側が溶着しても
もう片方が必ず“止める”。
■ 起動は“意図の瞬間”だけ拾えばよい
停止が“継続”なのに対し、
起動は 「動かしたい」という意図の瞬間だけ」 で十分。
だから起動は 微分(立ち上がり検出) が基本になる。
- 停止と同時押しでも暴走しない
- 起動信号の常時ONでも再起動しない
これは 停止が負けないための非対称設計 でもある。
起動は“意図の瞬間”だけ拾う──微分トリガの理由
停止は「押されている間ずっと」効くべきなのに対し、
起動は 「動かしたいという意図の瞬間だけ」 を拾えば十分である。
この非対称性は、
2か所操作が当たり前の現場で、停止が負けないための必須条件 になる。
■ 電源投入時の初期状態(初期条件)
――電源投入時に「起動SWが両方 OFF」であることを確認する回路が必要
コンベアの電源投入時、
起動SW(複数箇所)が ON のままになっていることはあり得る。
- 作業者が押しっぱなし
- 故障でONのまま
この状態で電源を入れた瞬間にコンベアが動くのは、
現場では絶対に許されない。
だから電源投入時には、
起動SWが “すべて OFF(操作されていない)” であることを確認する回路
が必須になる。
■ 起動を“状態”で扱うと何が起こるか
――停止SW操作後に、別の場所の起動信号状態が勝つ
起動PBを“状態”で扱うと、
停止SWを押している最中は止まっていても、起動信号がONしていると
起動が勝ってしまう。
起動側で起こり得る揺れ:
- 配線ショート
- 断線しかけの導通
停止操作をしたのに、
起動信号のON状態でコンベアが動き出す。
これは絶対に避けるべき事故。
起動信号が変化する状況であれば起動を微分でトリガしても危険回避できないが
事故の可能性を減らすことはできる。
■ 微分トリガ は「意図の瞬間」だけを抽出する
――少しでも停止が負けないための構造
起動SWを微分(TRG)で扱うと、
立ち上がりの瞬間だけ を拾う。
- 押しっぱなし → 2回目のTRGは出ない
「意図した起動」だけを抽出し、
意図しない再起動を潰す構造 になっている。
停止=継続
起動=瞬間
この非対称性が守られて初めて、
2か所操作の現場で壊れない回路 になる。
次章では、この思想をそのまま形にした
実際のリレー回路(図面) を示す。
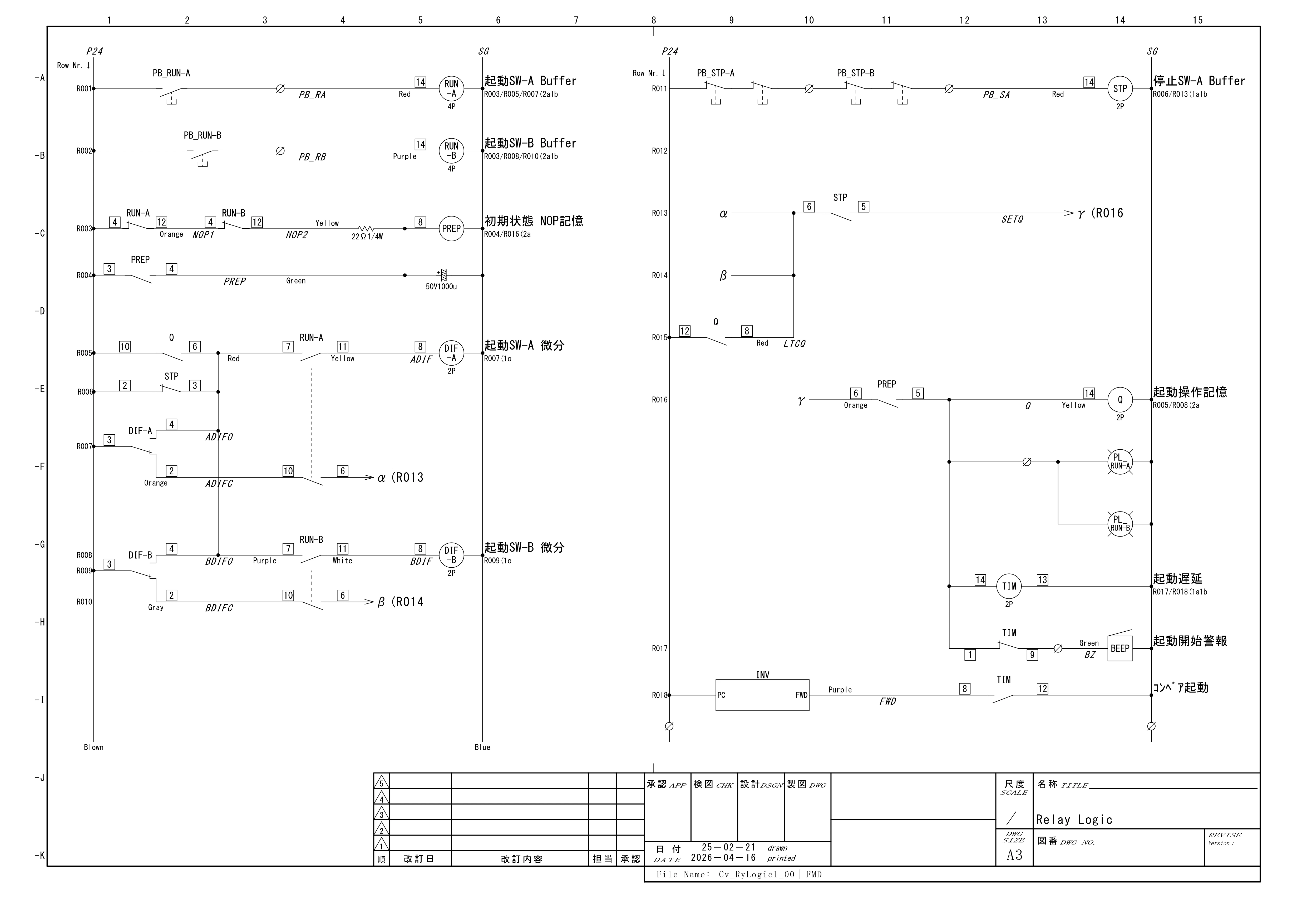
4. 回路図(実装例)
ここまで説明した安全思想
(停止=状態、起動=瞬間、電源投入初期条件)を
そのまま形にした回路図を示す。
■ 起動SWを押したとき
1.起動SW ON
2.ランプ点灯(起動受付の合図)
3.ブザー鳴動(起動前警告)
4.タイマ計時開始
5.タイマアップ
→ ブザー停止
→ CV(コンベア)起動
■ 停止SWを押したとき
1.停止SW ON
2.ランプ消灯
3.CV停止
技術者は破天荒であれ。
この記事が、必要な人へ。
困っている人に、届きますように。
作者
圓空(えんくう)
https://yenqoo.com/spices/
https://yenqoo.com/monologue/
キーエンスPLCを中心に、
“技術 × 美学 × 遊び心” をテーマにした技術文化を発信しています。
