小型マイコンボードSeeeduino XIAO と Sensirion エアクオリティセンサSGP30-2.5Kを使ってeCO2濃度測定器を作ってみました。
機器構成
| 名称 | 型名 | メーカー | データシート等 |
|---|---|---|---|
| マイコン | Seeeduino XIAO | Seeed | Seeedウィキ |
| センサー | SGP30-2.5K | Sensirion | データシート |
| LEDアレイ | OSX10201-GYR1 | オプトサプライ | データシート |
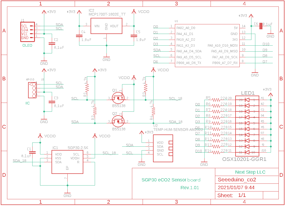
回路図
プログラム
SparkFunのSPG30ライブラリを使っていますので
こちらからダウンロードしてにライブラリに追加して下さい。
LEDとeCO2濃度の関係は次のようになっています。
| LED | 色 | CO2濃度範囲(単位 ppm) |
|---|---|---|
| LED0 | 緑 | 400 ~ 499 |
| LED1 | 緑 | 500 ~ 599 |
| LED2 | 緑 | 600 ~ 699 |
| LED3 | 緑 | 700 ~ 799 |
| LED4 | 緑 | 800 ~ 999 |
| LED5 | 黃 | 1000 ~ 1149 |
| LED6 | 黃 | 1150 ~ 1299 |
| LED7 | 黃 | 1300 ~ 1499 |
| LED8 | 赤 | 1500 ~ 1999 |
| LED9 | 赤 | 2000 以上 |
| ※LED0は電源モニターも兼ねています。 |
/*
Library for the Sensirion SGP30 Indoor Air Quality Sensor
By: Ciara Jekel
SparkFun Electronics
Date: June 28th, 2018
License: This code is public domain but you buy me a beer if you use this and we meet someday (Beerware license).
SGP30 Datasheet: https://cdn.sparkfun.com/assets/c/0/a/2/e/Sensirion_Gas_Sensors_SGP30_Datasheet.pdf
Feel like supporting our work? Buy a board from SparkFun!
https://www.sparkfun.com/products/14813
This example reads the sensors calculated CO2 and TVOC values
*/
# include "SparkFun_SGP30_Arduino_Library.h" // Click here to get the library: https://github.com/sparkfun/SparkFun_SGP30_Arduino_Library
# include <Wire.h>
# define LED1 0
# define LED2 1
# define LED3 2
# define LED4 3
# define LED5 6
# define LED6 7
# define LED7 8
# define LED8 9
# define LED9 10
SGP30 mySensor; //create an object of the SGP30 class
void led_all_on(void);
void led_all_off(void);
void led_all_on(){
digitalWrite(LED1, LOW);
digitalWrite(LED2, LOW);
digitalWrite(LED3, LOW);
digitalWrite(LED4, LOW);
digitalWrite(LED5, LOW);
digitalWrite(LED6, LOW);
digitalWrite(LED7, LOW);
digitalWrite(LED8, LOW);
digitalWrite(LED9, LOW);
}
void led_all_off(){
digitalWrite(LED1, HIGH);
digitalWrite(LED2, HIGH);
digitalWrite(LED3, HIGH);
digitalWrite(LED4, HIGH);
digitalWrite(LED5, HIGH);
digitalWrite(LED6, HIGH);
digitalWrite(LED7, HIGH);
digitalWrite(LED8, HIGH);
digitalWrite(LED9, HIGH);
}
void display_co2(uint16_t value){
led_all_off();
if(value < 500){
// nothing
} else if(value < 600){
digitalWrite(LED1, LOW);
} else if(value < 700){
digitalWrite(LED1, LOW);
digitalWrite(LED2, LOW);
} else if(value < 800){
digitalWrite(LED1, LOW);
digitalWrite(LED2, LOW);
digitalWrite(LED3, LOW);
} else if(value < 1000){
digitalWrite(LED1, LOW);
digitalWrite(LED2, LOW);
digitalWrite(LED3, LOW);
digitalWrite(LED4, HIGH);
} else if(value < 1150){
digitalWrite(LED1, LOW);
digitalWrite(LED2, LOW);
digitalWrite(LED3, LOW);
digitalWrite(LED4, LOW);
digitalWrite(LED5, LOW);
} else if(value < 1300){
digitalWrite(LED1, LOW);
digitalWrite(LED2, LOW);
digitalWrite(LED3, LOW);
digitalWrite(LED4, LOW);
digitalWrite(LED5, LOW);
digitalWrite(LED6, LOW);
} else if(value < 1500){
digitalWrite(LED1, LOW);
digitalWrite(LED2, LOW);
digitalWrite(LED3, LOW);
digitalWrite(LED4, LOW);
digitalWrite(LED5, LOW);
digitalWrite(LED6, LOW);
digitalWrite(LED7, LOW);
} else if(value < 2000){
digitalWrite(LED1, LOW);
digitalWrite(LED2, LOW);
digitalWrite(LED3, LOW);
digitalWrite(LED4, LOW);
digitalWrite(LED5, LOW);
digitalWrite(LED6, LOW);
digitalWrite(LED7, LOW);
digitalWrite(LED8, LOW);
} else {
digitalWrite(LED1, LOW);
digitalWrite(LED2, LOW);
digitalWrite(LED3, LOW);
digitalWrite(LED4, LOW);
digitalWrite(LED5, LOW);
digitalWrite(LED6, LOW);
digitalWrite(LED7, LOW);
digitalWrite(LED8, LOW);
digitalWrite(LED9, LOW);
}
}
void setup() {
Serial.begin(115200);
pinMode(LED1, OUTPUT);
pinMode(LED2, OUTPUT);
pinMode(LED3, OUTPUT);
pinMode(LED4, OUTPUT);
pinMode(LED5, OUTPUT);
pinMode(LED6, OUTPUT);
pinMode(LED7, OUTPUT);
pinMode(LED8, OUTPUT);
pinMode(LED9, OUTPUT);
pinMode(LED_BUILTIN, OUTPUT);
led_all_off();
Wire.begin();
//Initialize sensor
if (mySensor.begin() == false) {
for(int i=0; i<10 ; i++){
led_all_on();
delay(200);
led_all_off();
delay(200);
}
while (1);
}
for(int i=0; i<3 ; i++){ // 電源投入時にすべてのLEDを3回ブリンク
led_all_on();
delay(200);
led_all_off();
delay(200);
}
//Initializes sensor for air quality readings
//measureAirQuality should be called in one second increments after a call to initAirQuality
mySensor.initAirQuality();
}
void loop() {
//First fifteen readings will be
//CO2: 400 ppm TVOC: 0 ppb
delay(800); //Wait 2 second
//measure CO2 and TVOC levels
mySensor.measureAirQuality();
display_co2(mySensor.CO2);
Serial.print("CO2: ");
Serial.println(mySensor.CO2);
digitalWrite(LED_BUILTIN, HIGH); // turn the LED on (HIGH is the voltage level)
delay(200); // wait for a second
digitalWrite(LED_BUILTIN, LOW); // turn the LED off by making the voltage LOW
}
同じ基板で表示用にOLEDを使ったバージョンも作りましたので近日中に投稿します。
OLED版はこちら

