Pynq-Z1で2系統のHDMI入力を実現できるかどうかを調べた.
Pynq-Z1のHTMI入力端子
[回路図](https://reference.digilentinc.com/_media/reference/programmable-logic/pynq-z1/pynq-z1_sch.pdf)より引用
HPDが入出力共に専用になっており,出力を入力として使うことはできない.
ZyboのHDMI端子
[回路図](https://reference.digilentinc.com/_media/zybo:zybo_sch.pdf)より引用
HDMI_OUT_ENの制御で入力にも出力にもなる.Pynq-Z1のHTMI IN/OUTがこの構成になってればうれしかったな.
株式会社エム・アイ・エーのZedBoard用フルカラーDVI出力アダプタ
FPGAマガジンで何度か紹介されている株式会社エム・アイ・エー製のZedBoard用フルカラーDVI出力アダプタ.

PMODなのでハードウェア的には使えるはず.ZyboのHDMIのように構成されていれば入力としても使えるが…
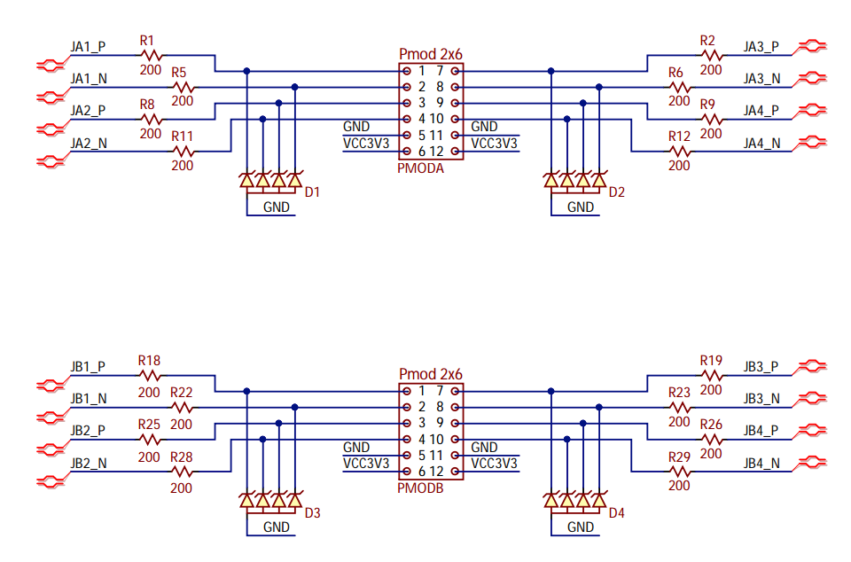
回路図より引用

バススイッチを通してPMODに接続してある.入力としても使えそう.
Pynq-Z1のPMODに保護用の抵抗が入ってる.

ZyboのHigh Speed PMODに関する記述からするとPynq-Z1のPMODにHDMIを(Transmitter, Receiverを使わずに)直結するなら0Ω抵抗に置き換えた方がよい.
まとめ(2017.3.11現在)
株式会社エム・アイ・エー製のZedBoard用フルカラーDVI出力アダプタをHDMI入力に流用することはできそう.入力に限らずHDMIをPMODに接続する以上はPynq-Z1のPMODについている抵抗を付け替える必要がありそう.Source/Sinkにつなぐデバイスにも依存しそうなので,まずはハードウェアを改造することなしで試してみる.
まとめ(2017.3.13現在)
株式会社エム・アイ・エー製のZedBoard用フルカラーDVI出力アダプタとPynq-Z1のHDMI IN端子が物理的に干渉することが判明!

PynqがZybo, ZedBoardに対応するのを待つか,Pynq用HDMI IN/OUTボードを作るかなやみどころ.
HDMI IN/OUT基板を作ったらだれか使ってくれる人はいるだろうか.
疑問
株式会社エム・アイ・エー製のZedBoard用フルカラーDVI出力アダプタにはバススイッチのSN74CBTLV3245Aが使われてるけど5V Tolerantじゃないけどいいのかなぁ.