連載一覧
- 第1回:プロジェクト概要
- 第2回:ESP32-S3 の環境構築
- 第3回:I/O の実装(ADC / PWM / DIO)
- 第4回:通信プロトコル(JSON コマンド)
- 第4.5回:デバイス化対応
- 第5回:Python アプリの API 実装
- 第6回:デバイスとしてまとめる(設計編)
- 第7回:実装編・応用編(GUI / アプリ化 / 拡張の可能性)
はじめに
前回(第5回)では、Python から ESP32‑S3 を安全かつ直感的に扱うための ESP32IO API(Python クラス) を実装しました。
今回はその続きとして、ESP32‑S3 を 実際の「デバイス」としてまとめる工程 を紹介します。
本プロジェクトでは、入出力回路を以下の方針で作ります。
- DIO_OUT:NPN トランジスタによるシンク出力
- DIO_IN:ソース入力(NPN出力のセンサ接続を想定)
- ADC:0〜10V に対応するため、可変抵抗による分圧回路 + 保護素子
- PWM:信号線としてそのまま出力(外部負荷は別途駆動)
これらの構成は、単なる電子工作ではなく、
工場や設備で一般的に使われる 24V 系の産業信号を扱えるようにするための変更 です。
具体的には:
- DIO_IN にトランジスタを入れたのは、工場で一般的な NPN シンク出力(24V)を安全に受けるため
- DIO_OUT を NPN シンク出力にしたのは、PLC と同じ方式で外部ソース負荷を駆動できるようにするため
- ADC を 0〜10V 対応にしたのは、工場のアナログ信号(圧力・温度・流量など)に対応するため
つまり今回の回路は、ESP32 を
「工場の 24V 機器とそのまま接続できる小型 I/O モジュール」
として成立させるための設計になっています。
この方針を前提に、ケース化・配線・電源・固定方法など、
プロトタイプを 現場で使える形 に仕上げる実践的な内容をまとめます。
デバイス化
デバイス化は大きく次の 5 ステップに分けられます。
- 外部と接続するためのコネクタを選ぶ
- 電源方式を決める(USB / 外部電源)
- 入出力回路を設計する
- 基板設計・製作をする
- 基板を収めるためのケースを製作する
この 5 つを押さえると、「製品らしいデバイス」になります。
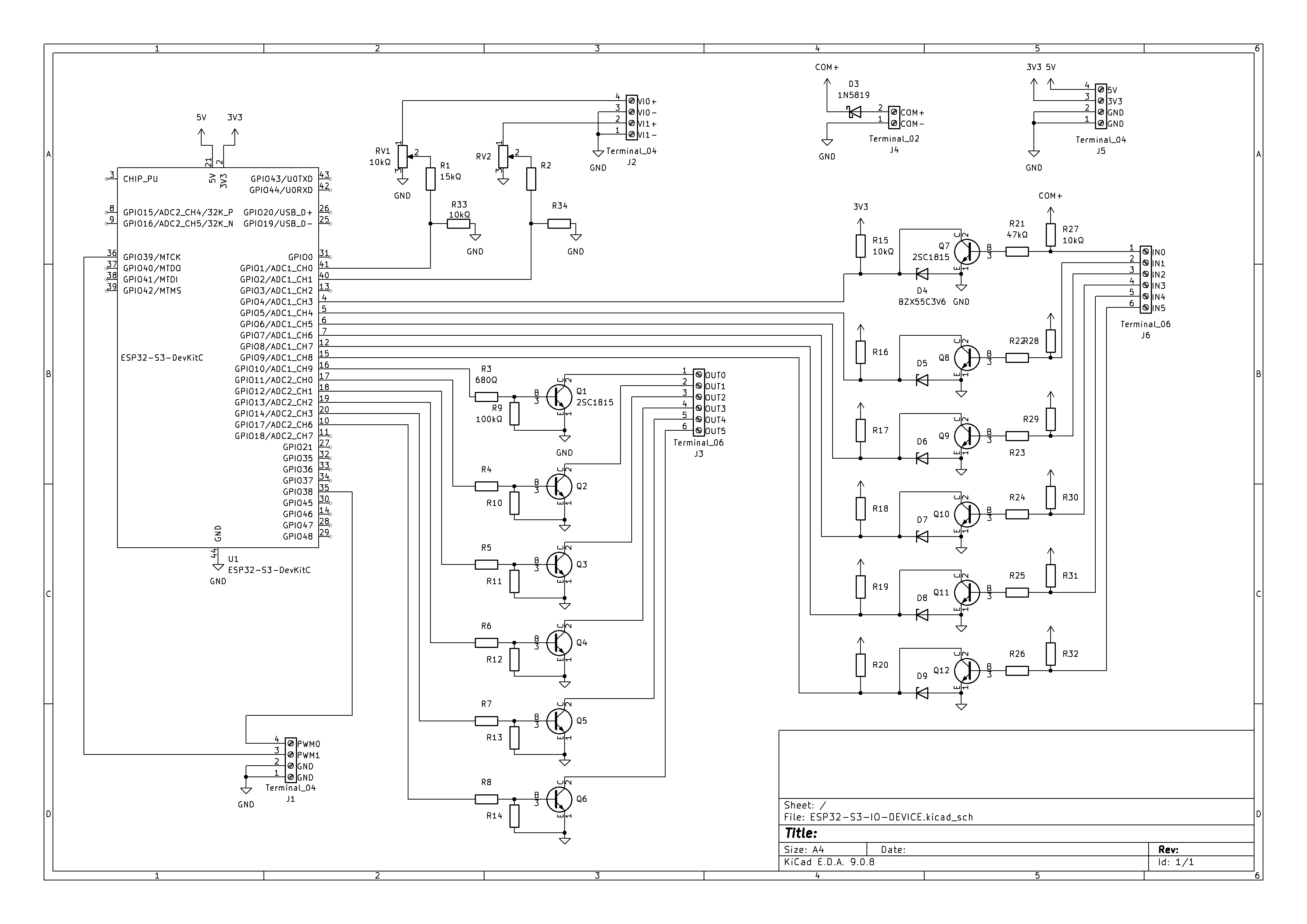
1. 外部 I/O の接続方式
今回のデバイスでは、DIO(シンク出力/ソース入力)、ADC(0〜10V)、PWM をケース外に引き出すため 5.08mm ピッチのターミナルブロック を使用します。
2. 電源設計(USB / 外部電源)
ESP32‑S3 は USB だけで動作しますが、工場などでよく使われる一般的なリレーを駆動したり、24V 電源系に組み込んだりするには、入出力用の外部電源が必要になります。
構成
- 本体電源は USB 5V
- 入出力の電源として 3.3V~24V を ±COM へ供給
3. 入出力回路の設計
本プロジェクトでは、ESP32 を使った DIO(デジタル入出力)およびアナログ入力回路を、PLC と同じ感覚で扱えること を目標に設計しています。
産業機器との接続を前提にすると、外部信号は 12〜24V 系が一般的であり、そのまま ESP32 の 3.3V ロジックに接続することはできません。
そこで本設計では、以下の理由から 入力・出力・アナログ入力のすべてにトランジスタや分圧回路を用いた“保護とレベル変換”構成 を採用しています。
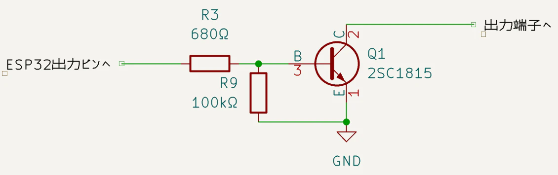
■ DIO入力(ソース入力:外部シンク出力を受ける)
- NPN シンク出力(24V)を安全に受けるための入力回路
外部の 24V シンク出力をそのまま ESP32 に入れると破損するため、
トランジスタで電圧を分離し、レベル変換と保護を同時に行っています。

| 項目 | 仕様 |
|---|---|
| 入力方式 | ソース入力(外部 NPN シンク出力を受ける) |
| 許容入力電圧 | 3.3〜24V(推奨 5V 以上) |
| ESP32 側ロジック | HIGH:外部シンク出力 ON / LOW:外部シンク出力 OFF |
| 保護要素 | トランジスタによる電圧分離、ベース抵抗、プルアップ抵抗、ツェナーダイオードによる過電圧保護 |
| 主な目的 | レベル変換、ノイズ耐性、PLC 互換論理 |
■ DIO出力(シンク出力:外部ソース負荷を駆動)
- 外部の負荷(リレー・ランプなど)を安全に駆動するための回路
ESP32 の 3.3V では 24V 負荷を直接駆動できないため、トランジスタを使って電流をスイッチングし、産業機器と互換の出力方式にしています。

| 項目 | 仕様 |
|---|---|
| 出力方式 | シンク出力(NPN オープンコレクタ) |
| 許容負荷電圧 | 最大 24V(外部電源) |
| 許容負荷電流 | 約 100mA 以下(2SC1815 の安全動作領域)→ 一般的な24Vリレーを駆動できる電流値 |
| ESP32 → 出力論理 | HIGH:出力 ON(シンク) / LOW:出力 OFF(開放) |
| 保護要素 | ベース抵抗、トランジスタによる電流分離 |
| 主な目的 | 外部ソース負荷を安全に駆動、PLC 互換論理 |
■ アナログ入力(0〜10V → 0〜3.3V)
- 0〜10V アナログ信号を、ESP32 の 0〜3.3V ADC で読めるようにするための分圧回路
この回路は 0〜10V のアナログ信号を ESP32 の ADC(0〜3.3V)で読み取るための簡易分圧回路です。
固定抵抗と可変抵抗のみでスケーリングを行い、試作機向けの最低限の構成になっています。

| 項目 | 仕様 |
|---|---|
| 入力方式 | 0〜10V アナログ入力 |
| ESP32 ADC レンジ | 0〜3.3V |
| レベル変換方式 | 固定抵抗+可変抵抗による分圧 |
| 主な目的 | 0〜10V 産業アナログ信号の簡易測定 |
<⚠ 注意事項(重要)>
- この方式は 分圧比の誤差・温度変化・可変抵抗の個体差の影響を受けやすく、精密測定には向きません。
あくまで試作機向けの簡易入力回路です。 - 可変抵抗(RV1)の PIN1–PIN2 がほぼ短絡状態になると、分圧比が大きく変動し、ESP32 の ADC に 3.3V 以上が入力される可能性があります。
- 調整時は、入力電圧を 0V 付近から徐々に上げ、ADC が 3.3V を超えない位置で止めるようにしてください。
■ PWM出力回路(3.3V PWM出力)
- ESP32 の PWM 信号をそのまま外部ドライバや SSR に渡すための“制御信号専用”のロジック出力
24V 負荷を直接駆動するのではなく、外部の MOSFET ドライバやリレーを制御するための 3.3V 信号として扱う構成にしています。
| 項目 | 仕様 |
|---|---|
| 出力方式 | 3.3V ロジック PWM(ESP32 直出し) |
| 許容負荷電流 | 数 mA(ESP32 GPIO の仕様に準拠) |
| 主な目的 | 外部ドライバ・SSR・アクチュエータの制御信号として利用 |
✔ 必要に応じて外部でレベル変換可能
24V PWM や大電流 PWM が必要な場合は、
MOSFET ドライバや SSR を外付けすることで対応できます。
4. 基板設計・製作
設計した入出力回路を、本プロジェクトで使用しているESP32-S3のピン配列に合わせて設計すると図のようになります。

使用ソフト : KiCad
作成したKiCadデータ : GitHub
KiCadのPCBエディターで基板設計をすると、そのデータを利用してJLCPCB などの 基板製造サービス から購入することができます。
5. ケース設計・製作
設計した基板を収めるケースはFreeCADで設計しました。
製作には3Dプリンタを使用します。
裏面にはタカチのDRP5-9Wを取り付けられる設計にしてあります。

※ESP32-S3のUSBコネクタをもう少し基板の端に寄せるべきでした…
作成したFreeCADデータ : GitHub
まとめ(今回の記事)
- ESP32‑S3 を「デバイス」としてまとめるための工程を整理した
- 入出力回路(シンク出力 / ソース入力 / 0〜10V ADC / PWM)の設計方針を解説
- 基板設計(KiCad)とケース設計(FreeCAD)の流れを紹介
- 産業用途(24V 系)を意識した回路構成の考え方をまとめた
今回は 設計編 として、デバイス化の全体像を示すところまでを扱いました。
次回:実装編(基板到着後に公開)
現在基板の納入待ちのため、基板が届いたら以下の内容を中心に 実際の製作工程 を紹介します。
実装予定の内容
- 基板のはんだ付け
- ケースへの組み込み
- Python API(ESP32IO API)を使った動作確認
- DIO_OUT(シンク)が正しく動作するか
- DIO_IN(ソース入力)が正しく読めるか
- ADC(0〜10V)がノイズなく読めるか
- PWM が安定して出力されるか
- get_io_state が正しい値を返すか
実際に組み上げた状態での写真や、動作確認のログも掲載する予定です。
次回予告(第7回)
次回は、基板が到着し次第、
- 基板の実装
- ケース組み込み
- Python API を使った動作確認
- GUI / アプリ化
- 拡張の可能性(Wi-Fi化、ロギング)
をまとめた 実装編+応用編 を公開します。

