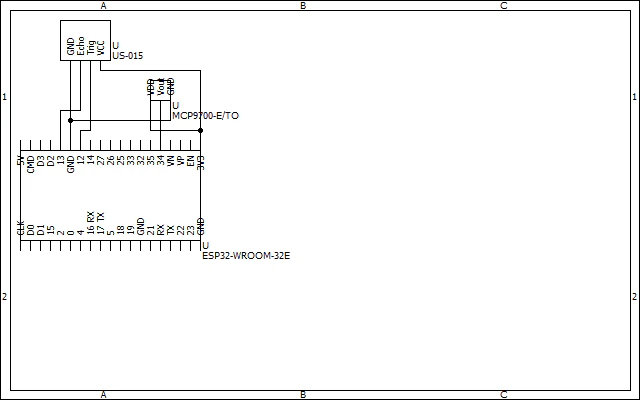
ESP32-WROOM-32Eで超音波センサUS-015を使って距離を得たいな。
US-015とHC-SR04は互換があるので差替えれば同じコードで動作するんだって。便利だね。
コードはこんな感じ。
#include <Arduino.h>
const int trigPin = 13;
const int echoPin = 12;
void setup() {
Serial.begin(115200);
pinMode(trigPin, OUTPUT);
pinMode(echoPin, INPUT);
}
void loop() {
digitalWrite(trigPin, LOW);
delayMicroseconds(2);
digitalWrite(trigPin, HIGH);
delayMicroseconds(10);
digitalWrite(trigPin, LOW);
long duration = pulseIn(echoPin, HIGH);
// 距離を計算(音速 340m/s = 0.34mm/us)
float distance = duration * 0.34 / 2;
if (distance > 400 || distance < 2) {
Serial.println("Out of range"); // 測れない距離
} else {
Serial.print("Distance: ");
Serial.print(distance);
Serial.println(" mm");
}
delay(2000); // 2秒おきに測定
}
結果はこう。
Out of range
Out of range
Out of range
Out of range
Distance: 242.08 mm
Distance: 239.36 mm
Distance: 233.58 mm
Distance: 242.08 mm
Distance: 281.18 mm
Distance: 294.10 mm
Distance: 283.90 mm
Distance: 283.73 mm

