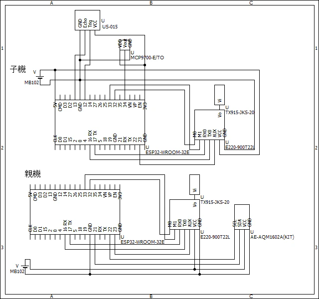
じゃあ、今迄の総集編で子機と親機を作ろうかな。
1つ1つの機能はもう実装済だから、きっと出来る筈。
先ず子機は温度を測り――
温度を音速の公式に充てて距離を測り――
その結果をLora通信で親機を向かって飛ばし――
受信した結果を親機の液晶に表示するよ。
つまり、子機は気温と距離の結果をLoraで送信する係。
親機は子機から受信した情報を表示する係。
今の所MB102があるおかげで外部電源で安定して5V給電できてる。
だけど、本当は屋外で使いたいんだよね。
そしたらコンセント電源は使えないよね。
乾電池の電圧を昇圧して使う事になるのかな。
昇圧コンバーターも使えるようになっておかなきゃね。
昇圧コンバーターはさっき秋月電子へ発注したんだけど、半田付けが要るんだって。
手先不器用だから半田付けやりたくないなあ。
でも避けて通れないと思うので、半田付け練習キットも買いました。
とりあえず、今夜は部品を組み立てるところまで。
買物に出かけたので時間が殆どありませんでした。
明日こそはコードを動かしたい……!!

