ESP32のESP32-WROVER-B MODULEのメモリーについて、メモします。
よく忘れてしまい
記憶にのこす。
1. Module
モジュールは実際に中にメソッドが二つある。
2. Spec
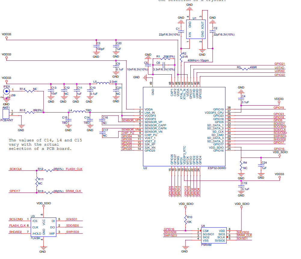
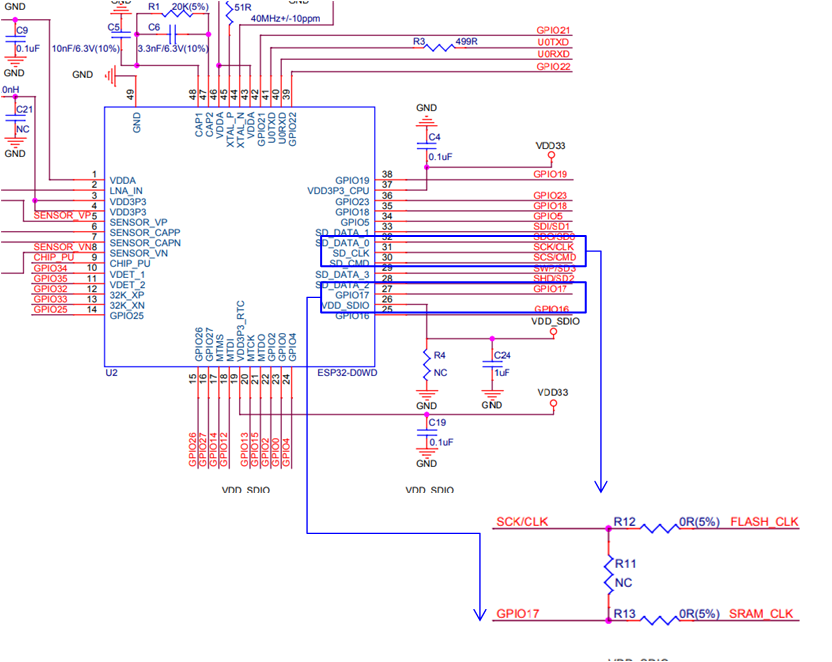
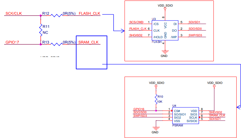
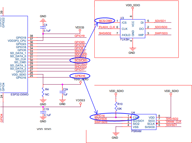
3. Schematic
4. Memoryは
メモリーはFlashとPSRAMがあり基本ESP32モジュールより活用度高い。
- PSRAMは自社のPSRAMを使っている。
- https://www.espressif.com/sites/default/files/documentation/esp-psram64_esp-psram64h_datasheet_en.pdf
5. Clock
- 使用するためにはCLOCKは必ず必要。






