はじめに
M5Stack Unit ASR よりCI-03T 基板を取り出して色々と試してみました。
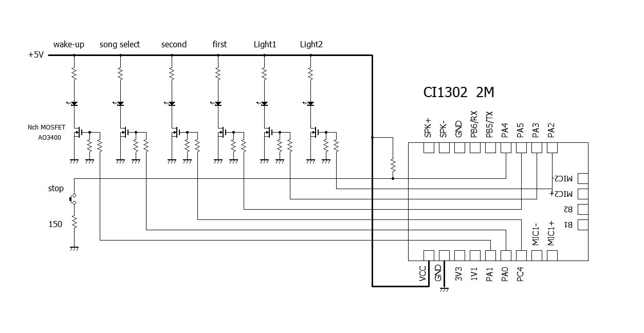
ウエイクアップを示すインジケータを設置。
ウエイクアップすると点灯しウエイクアップを終了すると消灯。
視認しやすいよう点滅(0.5秒ON/0.5秒OFF)するようにします。
1.使用するポートを設定。 点滅の為、PWM 1Hz を設定。

参数4を 开启电平反向 としていますが 关闭电平反向 が正しいです。
2.ウエイクアップでPA1をON(PWM duty 50%)

音楽再生中を示すインジケータを設置。
”音楽を再生”と言った後、10秒間 曲番号を受け付けます。
容量の関係で2曲としていますが、容量4M品を使用すれば曲数は増やせます。
1. 曲の選択 "音楽を再生”を受け付けるとPA0を10秒間ONにします
曲選択の"1番目”又は"2番目"では まずPA0がONであることを確認します。

"1番目"、"2番目"で点灯したインジケータをOFFにします。

結果
ランプの点滅や明るさ調整等もうまく動作します。
長い音声出力(音楽)の途中停止も問題なく機能します。
MIC2端子も引き出されているので2マイクでの音源定位等も確認してみたいと思っています。
動作している動画 (音声をVOICE VOX 春日部つむぎ に差換え版)
CI-03T 入手先 (2㎜ → 2.54㎜ピッチ変換基板もあり)








