概要
意味もない工作好きですか?
本日は特に意味もなくZVS回路について解説したいと思います。
直流DCを交流に変換することが目的です。
たぶん原典はこちら
原理
ネットで検索してもあまり記述しているサイトがなかなかないですよね
これが非常にわかりやすかったです。
電圧が0になると、2つあるFETのON,OFFが反転するというのを繰り返します。
Zero Voltage Switchingはここからきています。
1から順に
1から順に説明します。

2つあるFETのうち、不均一性によりまずどちらかがONになり片方がOFFになります。なぜ、両方ONにならないかというと

FET1がONになった段階でFET2のgate電圧が0になるためです。
470mΩには結果としてVcc-GNDの電流が流れて無駄になってます。

さらに、追っていくと、トランスのコイル1に電流が流れて
コイル2には中間タップと電位差がないため電流は流れません。

今、コイル2に電位差が発生しないと説明しましたが、
正確には間違いです。なんでかわかれば天才です。
コイル1に電流が流れたことによって発生した磁束がコイル2を通って電位差を発生されるためです。

そして電位差がどんどん減っていくと、FET1のゲート電圧が減少していきます。
によれば、

OFFになるのは、4Vあたりまで下がれば0.1Aぐらいしか流れなくなります。どんどん、コイル2での起電力が上がるとFET1がOFFになり、コイル1に流れる電流が止まります。

このように、FET2のゲート電圧がVccになるので、FET2がONになります。
先ほど同様、コイル1が発電して反転が起こります。
以上の繰り返しになります。
部品の意味
ツェナーダイオード:ゲート電圧が上がりすぎるのを抑止
10kΩ:ツェナーダイオード・ゲート容量による遅れを減らす
数式による解析
動作はわかりました。
数式的解析を行います。
但し、ON,OFF等ちょっと解析が難しいので
結果から逆算的に説明します。
FETのON,OFFにより

こんな感じで、スイッチが追加されます。
このようにコイルーコンデンサ共振ではエネルギーの損失でいつか振動は停止しますが、電源がその振動を止めないようエネルギーを供給します。
こんな感じで文字を定義します。
共振時はこんな感じで変動するはずです。
$-i_{L1} = i_{L2}$であるので、それぞれのコイルに流れる電流がわかる。
ここから、$V_{L1},V_{L2}$がわかる
ゲート電圧は$V_{Gate1} = Vcc - V_{L1} ,V_{Gate2} = Vcc - V_{L2} $ より
こんな感じの動作だと思います。
Gate電圧が0でスイッチするかどうかは不明であることが少し引っ掛かりますが、たぶんこんな感じです。
流れる電流はどうなるかという問題
まず、コイルとコンデンサの共振周波数でON-OFFがループする
とりあえず、コイル両端の最大電圧$-V_{L1}+V_{L2}$は2Vccであると予想できる。
\begin{eqnarray}
V_L&=& V_{cc} sin(\omega t) とすると\\
I_L &=& - \frac{V_{cc}}{\omega L} cos(\omega t)\\
\omega &=& \frac{1}{\sqrt{CL}}
\end{eqnarray}
よって、電流振幅は
\frac{V_{cc}}{\omega L} = \sqrt{\frac{C}{L} } V_{cc}
つまり、インダクタンスを小さく、静電容量を大きくするほど、たくさん電流が流れることになります。
発振条件が他にも存在する気がしますが、今のところはこれくらいの解析で十分でしょう。
実際に作ってみる
部品を発注し試します。
フライバックトランスはaliexpressに発注済み
IGBTはそこらへんに転がってたやつ(新しく買った方が安全か?)
回復速度の速いダイオードと、2W470Ωの抵抗、ショットキーダイオードを発注しよう
人体に放電した場合、非常に危険であるという意識をもって作業します。
ZVSの一次側は$V_{cc}$で低電圧のため、感電の危険はないです。
フライバックトランスを通した二次側には高電圧が発生するため注意が必要です。
よって、実験時はまずフライバックトランス無しでZVS回路を作り動作を確認します。
その後、フライバックトランスを通して二次側の放電を注意しながら検証しようと思います。
購入した部品
フライバックトランス BSC25-T1010A
ブラウン管時代のTVで高電圧を発生させるために生産されていたものです。
ピンがいくつかあります
にピンの配置と意味があります。
但し、ケーブルの方の意味が書いてないのでかなり悩んでいます。

3本ケーブルがあり、cable 1がおそらくの高電圧側HV
cable 2がFOCUS
cable 3がSCREENだと予想します。違う気もします。

cable 2とpin9の間の抵抗はSCREEN可変抵抗のダイヤルにより変化し1.6MΩ~22MΩで変化。この抵抗値はテスターの+-によらなかったため、ダイオードは間にないと思われます。先ほどの予想と反します。
cable 2,3は使わないのであまり考えないことにします。
ダイオードがHVとpin9の間に入っているはずで、ここにはかなり高い電圧が発生していることから、逆電圧による破損を抑えるため、複数のダイオードが直列に並んでいるんではないかと予想します。結果、テスターでは抵抗値が無限大という結果でした。ダイオードの順方向電圧が20V以上のため、単純な抵抗測定だと抵抗値は無限大表示になってしまいます。
ファストリカバリダイオード ER504
順方向降下電圧が1.5Vと大きくなりますが、逆方向に電圧が切れた時にすぐ(10us->100ns)電流が止まるダイオードになります。
ZVS : zero voltage switching
電圧零でスイッチングすることでスイッチング損失をなくす方式である。
電圧ゼロですぐにスイッチングしてもらうためにファストリカバリダイオードが必要になる形です。
IGBT IRFP260N
見方が難しい・・・$VGS =4.5V $の時、$VDS<1V$の範囲では、VDSと電流には比例関係がある
セメント抵抗
470Ω2Wのセメント抵抗を用意するのは大変なので、3.8kΩ1/4Wを8こ並列に並べれば475Ωになります。
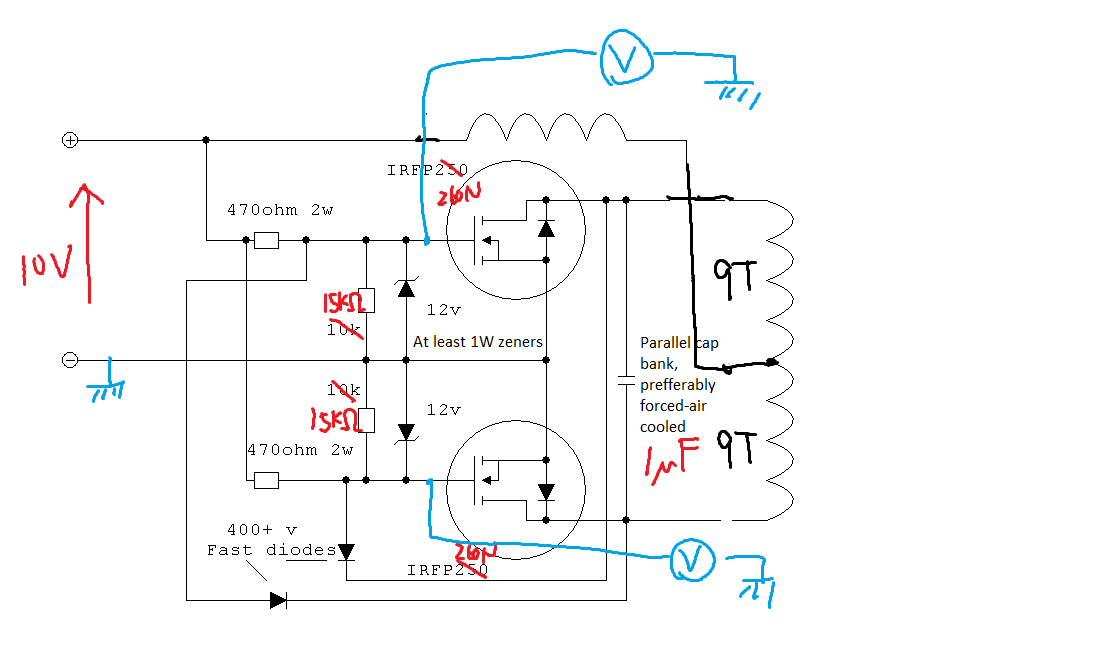
実験回路
二次コイルの巻き数は適当です。
一次側ZVS共振コンデンサには大電流が流れることになります。メタライズドフィルムコンデンサ1uF630Vを使用しています。これでも40℃ぐらいにあったまりました。
電源サージ対策用インダクタに関しては、空芯コイルをなんとなくおいておきました。動いてはいますが、意味があるかはわかりません。
高速ダイオードには容量のでかいものを使っていますが、別に大電流は流れないので大電流用でなくて問題ないはずです。
IGBTに関してはやりすぎ感があります。まったく熱を持ちません。
20V5Aほど動作時消費しています。
実験としてはかなり危険な部類に属していると思うので電源スイッチ等しっかり安全対策をしてやろうと思います。
測定結果

(プローブの1/10に変換を使用して測定している)
きれいなsin波となった。電源電圧よりも高いVpp,Vrを取っている。
ファストダイオード電圧

(プローブの1/10に変換を使用して測定している)

ゲート電圧

(プローブの1/10に変換を使用して測定している)

疑問
- ゲート電圧はツェナーダイオードの効果で上限が制限されている。しかし、青線と赤線で上限の電圧に差がある。ツェナーダイオードの性能差か?
- ゲートON側の電圧が0Vより下のマイナスに振れている
- 赤線青線で電圧が異なる→巻数は同じでもインダクタンスに違いがあるのかも
電圧マイナスについて
誘起側(導通側)の電位は必ず0Vになります。なぜならFETがONになって導通しているためです。
マイナスに振れるのは共振でコイル間電圧が電源電圧を超えてくると発生します。

コイル電圧が増加していくと

まだ不可解なところがありますが、一度切り上げます。
ヤコブの梯子













