動作環境
Windows 10 Pro (v1909)
PYNQ-Z1 (Digilent) (以下、PYNQと表記)
Vivado v2019.2 (64-bit)
Vivado
v2019.2用のファイルを使う。
v2019.2はC:\Xilinx_2019.2にセットアップ済とする。
(C:\Xilinxにセットアップしているユーザは以下の「C:/Xilinx_2019.2」は「C:/Xilinx」のままでよい。)
関連
HDMIのサンプル
PYNQを触っている中で、HDMIのFrame Buffer Read IP Coreが気になった。
いろいろ資料を読んでもわからないなか、ZynqBerry用のデザインがあることを知った。
-
各Vivadoバージョン用フォルダ
-
2019.2
- zynqberrydemo3 : ZynqBerry Demo VIDEO/AUDIO Design with video and audio example
-
2019.2
ファイルの使用手順
- 「Referenz Design - nur Quellcode (1 Dateien)」のzipファイルを取得
- 任意のフォルダに展開
- 例 (
C:\pynq_proj_2020-05-23\2020-06-27_0855_ZynqBerryV20192) - zipファイル内の
zynqberry3より「下」のフォルダ全部を上記フォルダに展開- 以下のフォルダ、など
block_design/board_files/console/- ...
- 以下のフォルダ、など
- 例 (
-
_create_win_setup.cmdを実行- ファイルをExplorerでダブルクリック
- 「WindowsによってPCが保護されました」と表示される場合
- 詳細情報、をクリック
- 実行、をクリック
-
(1) Create minimum setup oc CMD-Files and exit Batchを選択するため「1」- 以下のファイルなどが作成される
design_basic_settings.cmdvivado_create_project_guimode.cmd
- 以下のファイルなどが作成される
-
design_basic_settings.cmdを編集- 42行目
@set XILDIR=C:/Xilinx- を以下に変更する
-
@set XILDIR=C:/Xilinx_2019.2- Note: フォルダは「\」でなく「/」で記載すること
- 44行目
@set VIVADO_VERSION=2019.2- 上記が2019.2であればよい
- 違うバージョンだとそもそも失敗する
- 42行目
-
design_basic_settings.cmdを実行する- ファイルをExplorerでダブルクリック
- 実行環境が設定される
-
vivado_create_project_guimode.cmdを実行する- ファイルをExplorerでダブルクリック
-
「------------ Start VIVADO Script--------------」など表示され、処理が進む- ここで止まる場合もある。Enterキーを押すと処理が進む
- Vivadoが起動して、Block Designの生成まで実行される
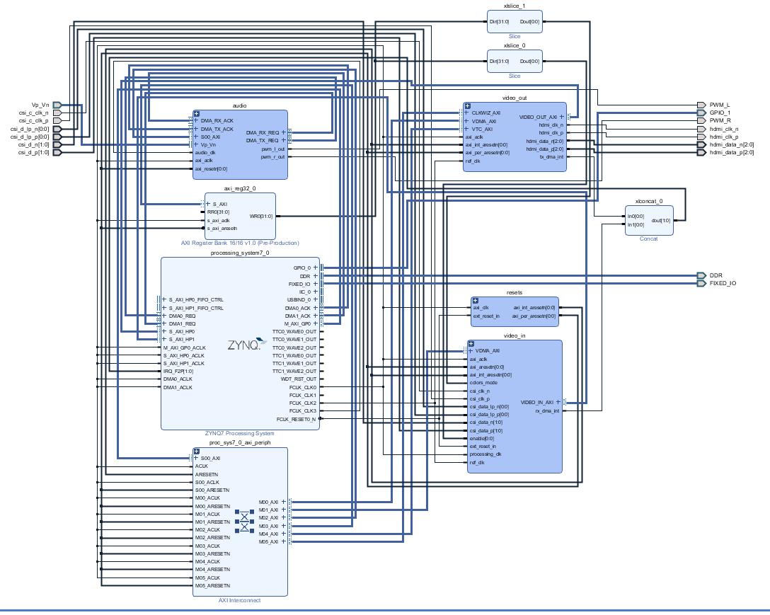
生成されるBlock Design
以下のようなデザインが生成される。
補足
vivado_create_project_guimode.cmdを実行したコマンドプロンプトを閉じるとVivadoは終了する。
再度Vivadoプロジェクトを開くときはvivado_open_existing_project_guimode.cmdを実行するようだ。
